Industrial Automation
PSR-MC45-3NO-1DO-24DC-SC - Safety relays
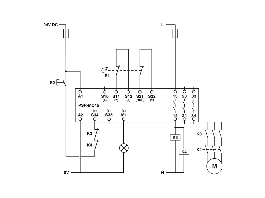
Safety relay for emergency stop, safety doors, and light grids up to SIL3, Cat.4, PLe, 1 or 2-channel operation, automatic or manual, monitored start, 3 enabling current paths, US=24VDC, plug-in screw terminal block
Product Code: 1082024 

Partner cod.: 1082024 

PHOENIX CONTACT