Industrial Automation
VFC-PT/FLK14/PLC - Interface module
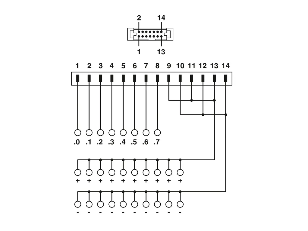
VARIOFACE Front Connect, IDC/FLK termination board for the system cabling with Push-in front connections for 8channels and additional positive and negative potential terminal blocks for 3-conductor initiator connection, number of positions: 14, overall width: 19mm
Product Code: 1278798 

Partner cod.: 1278798 

PHOENIX CONTACT