Industrial Automation
FLKM-D 9 SUB/B/LA - Interface module
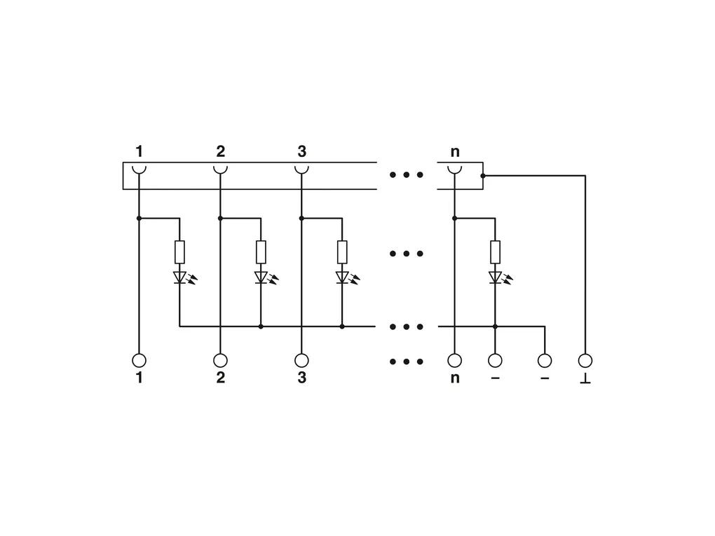
VARIOFACE module, with screw connection and D-Subminiature socket strip, for mounting on NS 35/7.5 or NS 32, with light indicator, 9-pos.
Product Code: 2281678 

Partner cod.: 2281678 

PHOENIX CONTACT