Industrial Automation
FLKM-D37 SUB/B/LA - Interface module
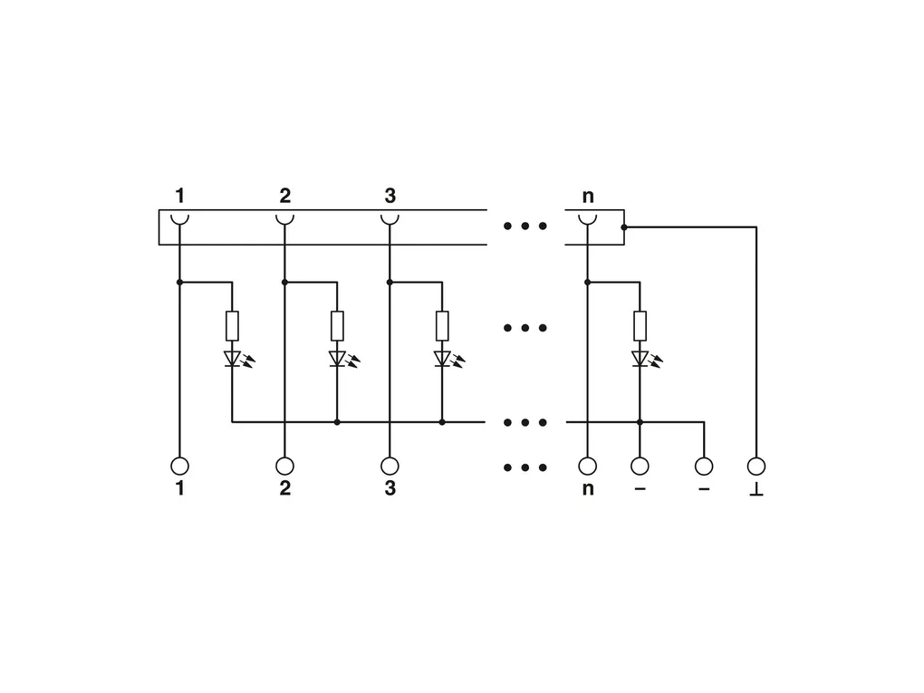
VARIOFACE module, with screw connection and D-Subminiature socket strip, for mounting on NS 35/7.5 or NS 32, with light indicator, 37-pos.
Product Code: 2281704 

Partner cod.: 2281704 

PHOENIX CONTACT