Industrial Automation
FLKM-D25 SUB/B/KDS3-MT/TU810 - Interface module
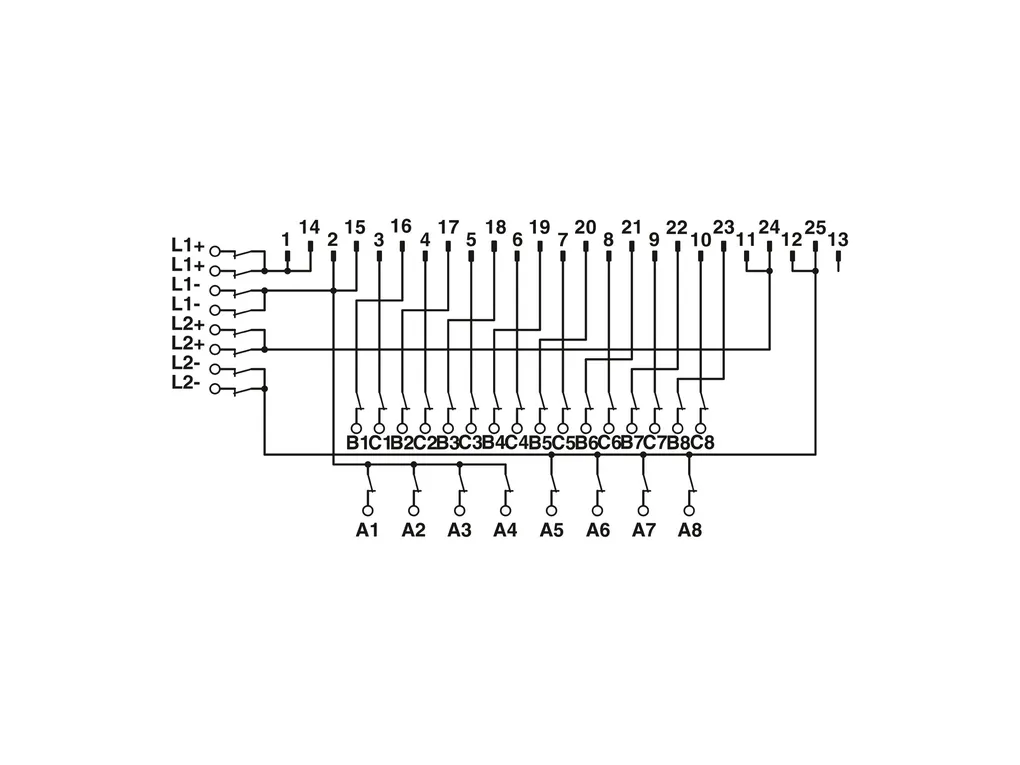
VARIOFACE module for ABB S800 I/O, with knife disconnect terminal blocks and specific marking (A1, B1, C1, A2, B2, C2, ... A8, B8, C8)
Product Code: 2304513 

Partner cod.: 2304513 

PHOENIX CONTACT