Industrial Automation
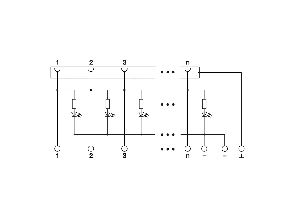
VIP-2/SC/D 9SUB/F/LED - Interface module
VARIOFACE module, with screw connection and D-Subminiature socket strip, for mounting on NS 35 rails, with LED, 9-pos.
Product Code: 2322197 

Partner cod.: 2322197 

PHOENIX CONTACT