Industrial Automation
VIP-2/SC/D15SUB/F/LED - Interface module
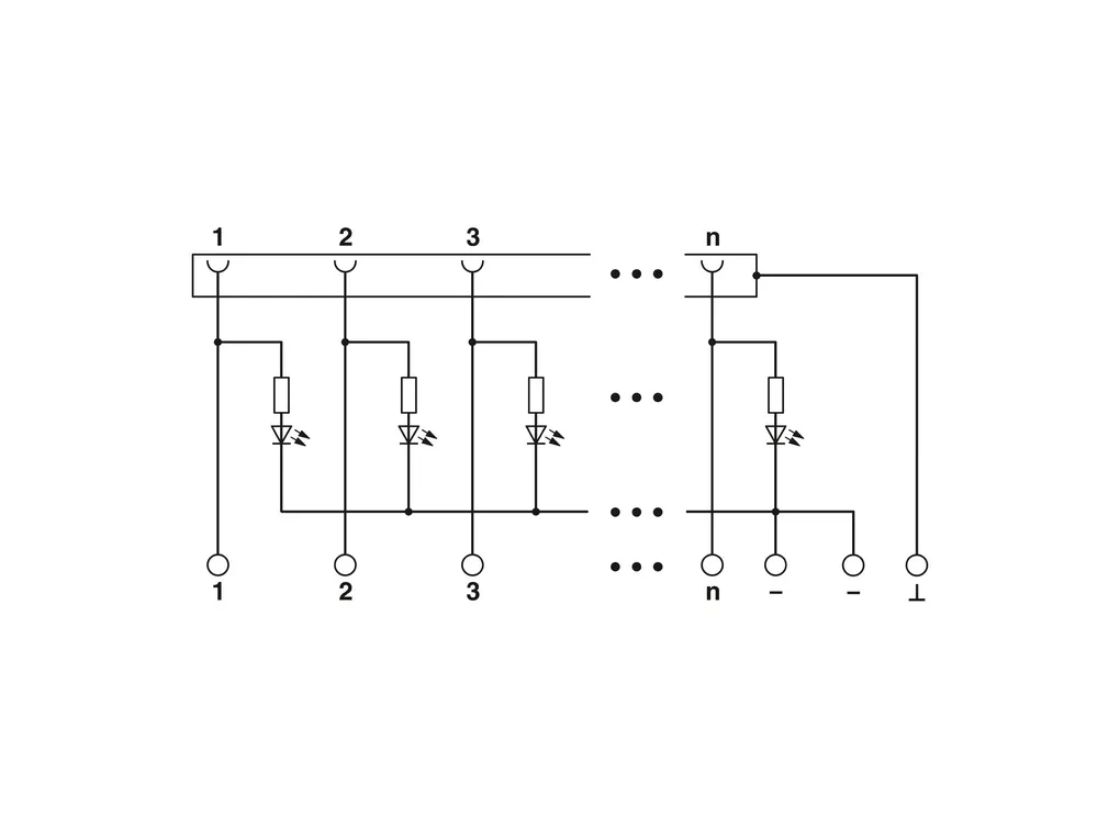
VARIOFACE module, with screw connection and D-Subminiature socket strip, for mounting on NS 35 rails, with LED, 15-pos.
Product Code: 2322207 

Partner cod.: 2322207 

PHOENIX CONTACT