Industrial Automation
PLC-APT-UI-IN - Analog module
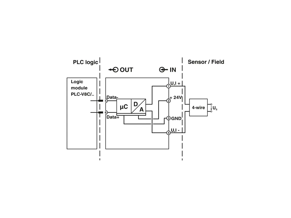
Analog input module for PLClogic logic modules (Generation2 only), single-channel, signal type (4mA...20mA, 0mA...20mA, 0V...10V, 2V...10V) can be configured via DIP switch, Push-in connection
Product Code: 2906917 

Partner cod.: 2906917 

PHOENIX CONTACT