Automazione Industriale
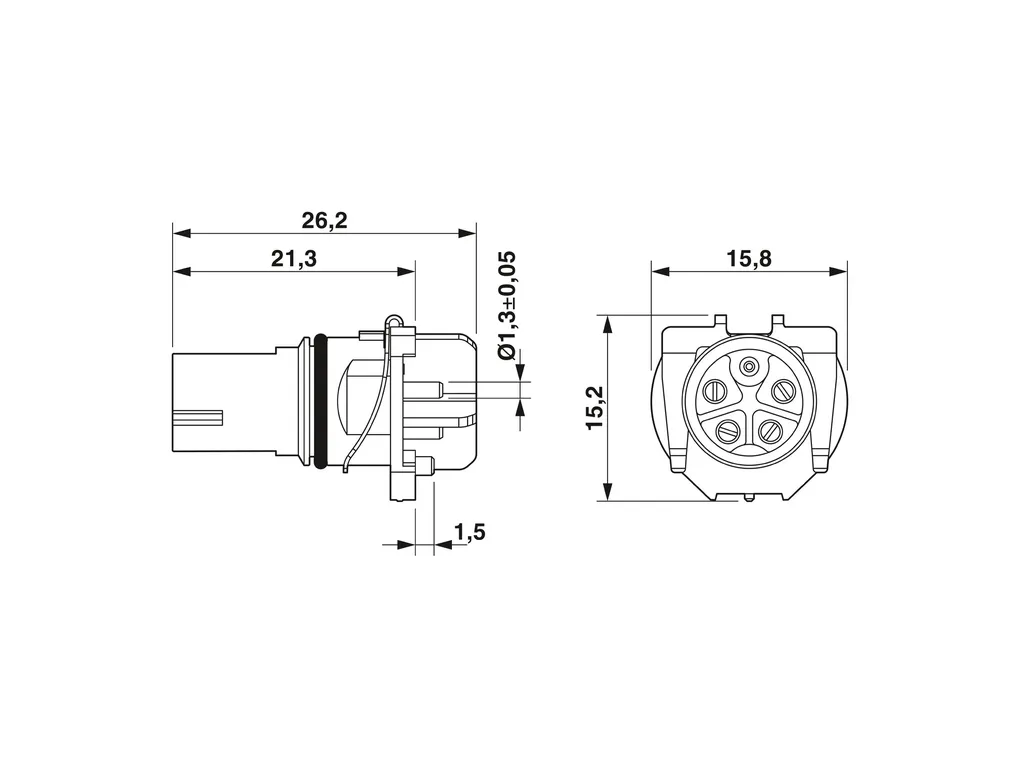
SACC-CI-M12MSK-4PE-L180 THR T - Contact carrier
Contact carrier, Power, 5-position, Pin, straight, M12, coding: K, PCB mounting, THR solder connection, Item is lead-free in accordance with RoHS II without Exemption6c (Pb<0.1%)
Cod. Articolo: 1420819 
Cod. Fornitore: 1420819 
PHOENIX CONTACT




