Automazione Industriale
PLC-BSC- 24DC/ 1IC/ACT - Relay base
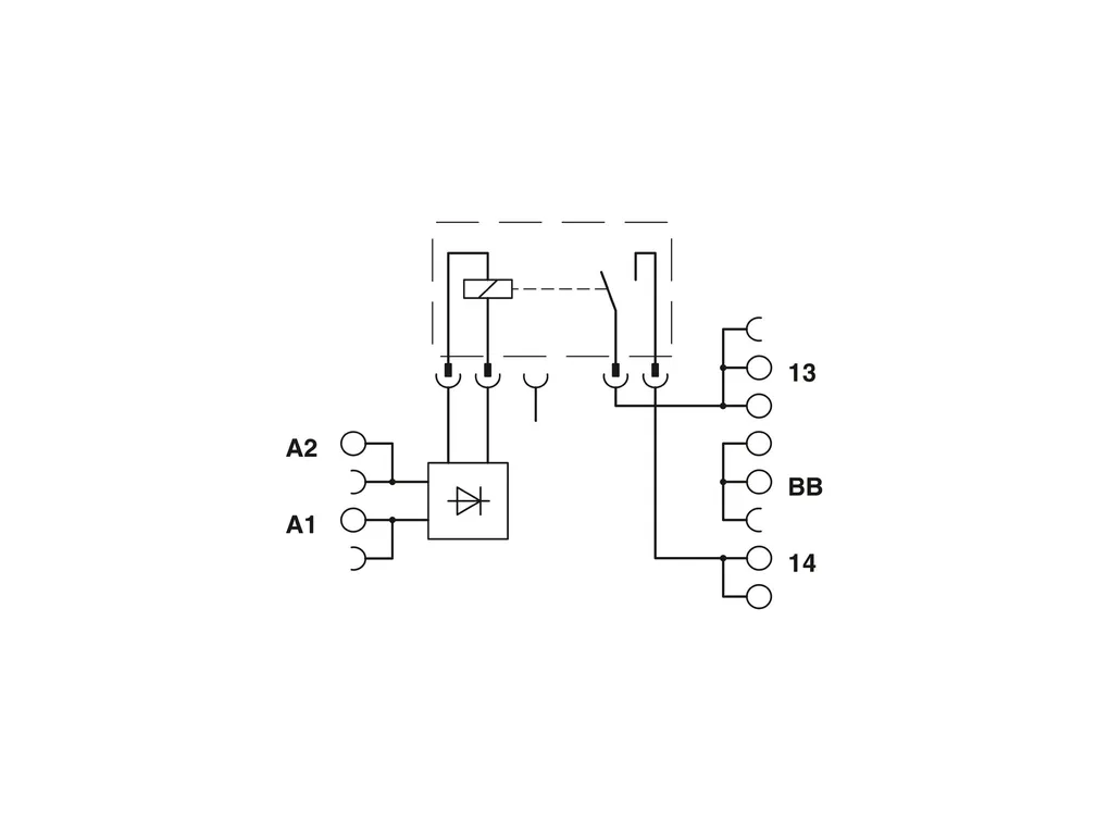
14 mm PLC basic terminal block for high switch-on currents with screw connection, without relay or solid-state relay, for mounting on DIN rail NS 35/7,5, with load return line connection (BB), 1 N/O contact, input voltage 24 V DC
Cod. Articolo: 2967837 
Cod. Fornitore: 2967837 
PHOENIX CONTACT




